宏微电力电子器件品牌简介 专注于功率半导体领域的国产力量
DRV8814步进电机驱动芯片 全面解读与采购指南
2021电动汽车电力电子技术发展及市场格局
电力载波通信专用防静电器件 以Leiditech ESD保护方案为例
技术微课堂丨科普篇 电力电子——现代信息社会的隐形支柱
2020年第二季度SiC与GaN电力电子产品技术进展与市场动态
优派售后服务与拼接屏技术支持联系方式
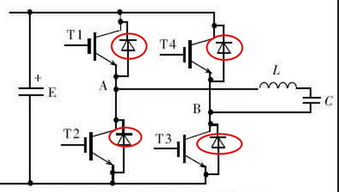
电力电子器件中电压驱动型器件反并联二极管的作用与原理
盛况 宽禁带电力电子器件及装备技术发展现状与展望
EA2 6TNP型号IC 关键特性、数据资料与采购指南
国泰君安发布全市场首份生殖健康专题 生命之光照耀蓝海市场,信息技术咨询服务赋能新生态
掌控物联网 智慧社区建设的综合解决方案与信息技术咨询服务
智能驾驶算法开发与信息技术咨询服务 赋能未来出行
科技让美好生活一键可及 通用技术集团的信息技术咨询服务
新质生产力蓬勃向上丨湖北生命健康产业加速迈向万亿规模
完善科技金融支持模式 广东中行以金融引擎助力机器人服务拓界与信息技术咨询发展
艾瑞咨询2021年中国企业服务研究报告 信息技术咨询服务分析
职为等你 火灾实验室求职分享会——信息技术咨询服务专场
湖南双鑫信息技术咨询有限责任公司的专业信息技术咨询服务
如若转载,请注明出处:http://www.515213989.com/product/list-2.html